Trzpień gwiazdowy Renishaw SKU: A-5555-3889 ZEISS 626103-0314-020

880,00 zł netto
1 082,40 zł brutto

Numer katalogowy: A-5555-3889

Dane techniczne

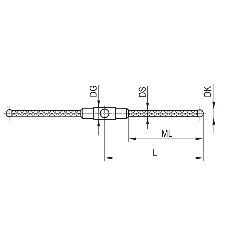
Typ trzpienia: Gwiazda-1/2-180*
Gwint ( mm ): M3
Średnica kulki DK ( mm ): 3
Średnica uchwytu DG ( mm ): 5
Średnica trzpienia DS ( mm ): 2
Całkowita długość trzpienia L ( mm ): 20
Efektywna długość robocza trzpienia ML ( mm ): 11
Materiał trzonu: Włókno węglowe
Materiał końcówki: Azotek krzemu
Zamiennik dla Zeiss: 626103-0314-020

Ilość

  Bezpieczna płatność

Tylko zaufane metody płatności

  Szybka dostawa

Dostępne produkty wysyłamy w 24h

Termostabilny gwiazdowy trzpień pomiarowy 1/2 M3 XXT 180°. Odpowiadający numer katalogowy Zeiss: 626103-0314-020. Uwaga: długość pomiarowa — do końca kulki.

A-5555-3889
5 Przedmioty

Opis

TYP TRZPIENIA
Gwiazda
GWINT
M3
ŚREDNICA KULKI
3 - 3,99 mm
ZAKRES DŁUGOŚCI
20 - 29,99 mm
MATERIAŁ TRZONU
Włókno węglowe
MATERIAŁ KOŃCÓWKI
Azotek krzemu

16 innych produktów w tej samej kategorii:

Tytanowa obsada M5 do trzpienia przegubowego,... Indeks: A-5555-0118

237,50 zł netto
292,13 zł brutto
Dostępność: 5 W magazynie
Numer katalogowy: A-5555-0118

Dane techniczne

Typ trzpienia:
Średnica kulki DK ( mm ): 5
Średnica trzpienia DS ( mm ): 6
Całkowita długość trzpienia L ( mm ): 40
Materiał trzonu: Węglik wolframu
Materiał końcówki: Rubin
Oznaczenie dla Zeiss: 600341-8180-000
Oznaczenie Q-Mark: SPH-4011

Kulka rubinowa M5 o śr. 1,35 mm, trzon z... Indeks: A-5555-0054

195,50 zł netto
240,47 zł brutto
Dostępność: 5 W magazynie
Numer katalogowy: A-5555-0054

Dane techniczne

Typ trzpienia: Prosty
Gwint ( mm ): M5
Średnica kulki DK ( mm ): 1,35
Średnica uchwytu DG ( mm ): 11
Średnica trzpienia DS ( mm ): 1
Całkowita długość trzpienia L ( mm ): 32
Efektywna długość robocza trzpienia ML ( mm ): 12
Materiał trzonu: Węglik wolframu
Materiał końcówki: Rubin

Kulka rubinowa M5 o śr. 10 mm, trzon... Indeks: A-5555-0047

344,50 zł netto
423,74 zł brutto
Dostępność: 5 W magazynie
Numer katalogowy: A-5555-0047

Dane techniczne

Typ trzpienia: Prosty
Gwint ( mm ): M5
Średnica kulki DK ( mm ): 10
Średnica uchwytu DG ( mm ): 11
Średnica trzpienia DS ( mm ): 6
Całkowita długość trzpienia L ( mm ): 65,5
Efektywna długość robocza trzpienia ML ( mm ): 52,5
Materiał trzonu: Ceramika
Materiał końcówki: Rubin

4-kierunkowa gwiazda M5, kulka rubinowa o śr. 1... Indeks: A-5555-3839

1 710,00 zł netto
2 103,30 zł brutto
Dostępność: 5 W magazynie
Numer katalogowy: A-5555-3839

Dane techniczne

Typ trzpienia: Gwiazda
Gwint ( mm ): M5
Średnica kulki DK ( mm ): 1
Średnica trzpienia DS ( mm ): 4/0,8
Całkowita długość L ( mm ): 40
Efektywna długość robocza trzpienia ML ( mm ): 30
Materiał trzonu: Węglik wolframu
Materiał końcówki: Rubin

Trzpień gwiazdowy Renishaw SKU: A-5555-3901... Indeks: A-5555-3901

479,00 zł netto
589,17 zł brutto
Dostępność: 5 W magazynie

Numer katalogowy: A-5555-3901

Dane techniczne

Typ trzpienia: Gwiazda-1/4
Gwint ( mm ): M3
Średnica kulki DK ( mm ): 3
Średnica uchwytu DG ( mm ): 5
Średnica trzpienia DS ( mm ): 2
Całkowita długość trzpienia L ( mm ): 40
Efektywna długość robocza trzpienia ML ( mm ): 31
Materiał trzonu: Włókno węglowe
Materiał końcówki: Azotek krzemu
Zamiennik dla Zeiss: 626103-0312-040

Kulka rubinowa M2 o śr. 6 mm, trzon ze stali... Indeks: A-5555-0314

172,50 zł netto
212,18 zł brutto
Dostępność: 5 W magazynie
Numer katalogowy: A-5555-0314

Dane techniczne

Typ trzpienia: Prosty
Gwint ( mm ): M2
Średnica kulki DK ( mm ): 6
Średnica uchwytu DG ( mm ): 3
Średnica trzpienia DS ( mm ): 3
Całkowita długość trzpienia L ( mm ): 13
Efektywna długość robocza trzpienia ML ( mm ): 13
Materiał trzonu: Stal nierdzewna
Materiał końcówki: Rubin

Kulka z azotku krzemu M3 XXT, trzon z włókna... Indeks: A-5004-1858

415,50 zł netto
511,07 zł brutto
Dostępność: 5 W magazynie
Numer katalogowy: A-5004-1858

Dane techniczne

Typ trzpienia: Prosty
Gwint ( mm ): M3
Średnica kulki DK( mm ): 5
Średnica uchwytu DG( mm ): 5
Średnica trzpienia DS( mm ): 3,5
Całkowita długość trzpienia L( mm ): 75
Efektywna długość robocza trzpienia ML( mm ): 66
Materiał trzonu: Włókno węglowe
Materiał końcówki: Azotek krzemu

Kulka rubinowa M3 o śr. 2 mm, trzon z węglika... Indeks: A-5555-3855

186,00 zł netto
228,78 zł brutto
Dostępność: 5 W magazynie
Numer katalogowy: A-5555-3855

Dane techniczne

Typ trzpienia: Prosty
Gwint ( mm ): M3
Średnica kulki DK ( mm ): 2
Średnica uchwytu DG ( mm ): 5
Średnica trzpienia DS ( mm ): 1,5
Całkowita długość trzpienia L ( mm ): 40
Efektywna długość robocza trzpienia ML ( mm ): 31
Materiał trzonu: Węglik wolframu
Materiał końcówki: Rubin
Zamiennik dla Zeiss: 626113-0201-040

Trzpień pomiarowy M5 do konfiguracji... Indeks: A-5555-0080

171,50 zł netto
210,95 zł brutto
Dostępność: 5 W magazynie
Numer katalogowy: A-5555-0080

Dane techniczne

Typ trzpienia: Prosty-gwiazda
Gwint ( mm ): M5
Średnica kulki DK ( mm ): 2
Średnica uchwytu DG ( mm ): 11
Średnica trzpienia DS ( mm ): 1,5
Całkowita długość trzpienia L ( mm ): 33,5
Efektywna długość robocza trzpienia ML ( mm ): 24,5
Materiał trzonu: Węglik wolframu
Materiał końcówki: Rubin
Zamiennik dla Zeiss: 600342-8202-000
Oznacznie Q-Mark: MSA-2033

Kulka rubinowa M5 o śr. 0,5 mm, trzon z węglika... Indeks: A-5555-1773

488,50 zł netto
600,86 zł brutto
Dostępność: 5 W magazynie
Numer katalogowy: A-5555-1773

Dane techniczne

Typ trzpienia: Prosty
Gwint ( mm ): M5
Średnica kulki DK ( mm ): 0,5
Średnica uchwytu DG ( mm ): 11
Średnica trzpienia DS ( mm ): 1/0,3
Całkowita długość trzpienia L ( mm ): 32
Efektywna długość robocza trzpienia ML ( mm ): 12
Materiał trzonu: Węglik wolframu
Materiał końcówki: Rubin

Kulka rubinowa M5 o śr. 5 mm, trzon ceramiczny,... Indeks: A-5555-0041

209,50 zł netto
257,69 zł brutto
Dostępność: 5 W magazynie
Numer katalogowy: A-5555-0041

Dane techniczne

Typ trzpienia: Prosty
Gwint ( mm ): M5
Średnica kulki DK ( mm ): 5
Średnica uchwytu DG ( mm ): 11
Średnica trzpienia DS ( mm ): 5
Całkowita długość trzpienia L ( mm ): 53
Efektywna długość robocza trzpienia ML ( mm ): 43
Materiał trzonu: Ceramika
Materiał końcówki: Rubin

Tytanowa przystawka obrotowa M5, dł. 29 mm, do... Indeks: A-5555-0713

505,00 zł netto
621,15 zł brutto
Dostępność: 5 W magazynie
Numer katalogowy: A-5555-0713

Dane techniczne

Typ trzpienia: Przystawka obrotowa
Gwint: M5
Gwint do mocowania: M5
Długość ( mm ): 29
Średnica uchwytu ( mm ): 11
Zakres obrotu ( stopnie ): 360
Materiał trzonu: Tytan
Oznaczenie Zeiss: 626105-6280-030

Trzpień pomiarowy do obsady Indeks: A-5555-0107

156,50 zł netto
192,50 zł brutto
Dostępność: 5 W magazynie
Numer katalogowy: A-5555-0107

Dane techniczne

Typ trzpienia:
Średnica kulki DK ( mm ): 1
Średnica uchwytu DK ( mm ): 1
Średnica trzpienia DS ( mm ): 1/0,8
Całkowita długość trzpienia L ( mm ): 16
Efektywna długość robocza trzpienia ML ( mm ): 5
Materiał trzonu: Węglik wolframu
Materiał końcówki: Rubin
Oznaczenie dla Zeiss: 600341-8454-000
Oznaczenie Q-Mark: TST-1016